Coal Mining Feeder Chains – Industrial Roller Chain
Designed for coal mining and washing systems, these chains serve as feeder, separation, and washing chains in coal pickers and washers. Built to withstand harsh mixtures of coal slime, iron, and sulfides, they offer excellent wear and corrosion resistance.
Featuring chrome-coated pins and alloy-coated sleeves, with surface hardness up to 1100HV, they ensure stable performance and long service life in demanding environments.
With 20+ years of experience, GIDI CHAIN manufactures industrial chains meeting ISO, ANSI, DIN, BS, and JIS standards, exported worldwide. We also supply chains for oilfields, agriculture, forklifts, cement, and more. Contact us for customized solutions.
Bridge Conveyor Chain
| Bridge Conveyor Mining Chain | |||||||||||||||
| Chain No. | Pitch | Inner Width max | Roller/ Bushing Diam Max | Plate Height Max | Inner Plate Thick Max | Outer Plate thick Max | Pin Diam Max | Pin Length Max | Average Ultimate Strength | Rated Working Load | Weight | ||||
| A | B | C | D | E | F | G | H | H1 | H2 | b | v | Lbs | Lbs | Lbs/Ft | |
| 2078P | 1.75 | 1 | 0.875 | 1.25 | 0.25 | 0.25 | 0.438 | 2.406 | — | 3.438 | 0.5 | 1.125 | 26,500 | 2,650 | 4.84 |
| 6015 | 2 | 0.938 | 0.875 | 1.375 | 0.25 | 0.19 | 0.5 | 2.344 | 2.91 | 1.86 | — | 1.859 | 32,000 | 2,500 | 3.9 |
| 3093 | 2 | 1.25 | 1.125 | 1.75 | 0.25 | 0.25 | 0.557 | 2.813 | — | — | — | — | 36,500 | 3,900 | 5.7 |
| 6262 | 2 | 1.5 | 1 | 1.75 | 0.313 | 0.313 | 0.625 | 3.188 | — | — | — | — | 60,500 | 4,600 | 8.1 |
| 6263 | 2 | 1.5 | 1 | 1.75 | 0.313 | 0.313 | 0.625 | 3.188 | — | — | — | — | 60,500 | 4,600 | 8.8 |
| 6525PB | 2.25 | 1.984 | 1.125 | 2 | 0.375 | 0.375 | 0.75 | 4.297 | 5.187 | 3.195 | — | 1.422 | 76,000 | 7,200 | 12.6 |

| Feeder Breaker Conveyor Mining Chain | |||||||||||||||||||
| Chain No. | Pitch | Inner Width Max | Bushing Knuckle Diam Max | Plate Height Max | Inner Plate Thick Max | Outer Plate Thick Max | Pin Diam Max | Pin Length Max | Average Ultimate Strength | Rated Working Load | Weight | ||||||||
| A | A1 | B | C | D | E | F | G | H | H1 | H2 | T2 | T3 | b | d | v | Lbs | Lbs | Lbs/Ft | |
| 6539H | 3 | 4 | 1.875 | 1.5 | 2.5 | 0.562 | 0.5 | 0.995 | 4.906 | 5.781 | 3.5 | 3.094 | 0.882 | 0.928 | 0.36 | 1.469 | 168,000 | 10,500 | 26.3 |
| 6569H | 3.5 | — | 2.25 | 1.74 | 2.75 | 0.562 | 0.5 | 1.113 | 5.344 | 6.31 | 3.841 | 3.484 | 1.055 | 1.092 | 0.358 | 1.591 | 160,000 | 13,000 | 23.9 |
Ram Drive Mining Chain
| Ram Drive Mining Chain | |||||||||||
| Chain No. | Pitch | Inner Width Max | Bushing/ Knuckle Diam Max | Plate Height Max | Inner Plate Thick Max | Outer Plate Thick Max | Pin Diam Max | Pin Length Max | Average Ultimate Strength | Rated Working Load | Weight |
| A | B | C | D | E | F | G | H | Lbs | Lbs | Lbs/Ft | |
| JB2R | 2.000 | 1.250 | 1.250 | 1.875 | 0.313 | 0.313 | 0.725 | 3.125 | 90,000 | 4,700 | 8.90 |
Shuttle Car Mining Chain
| Shuttle Car Mining Chain | |||||||||||||||
| Chain No. | Pitch | Inner Width Max | Bushing/ Knuckle Diam Max | Plate height Max | Inner Plate Thick max | Pin Diam Max | Pin Length Max | Average Ultiamte Strength | Rated Working Load | Weight | |||||
| A | B | B1 | C | D | E | G | H | T2 | X | d | w | Lbs | Lbs | Lbs/Ft | |
| C4100 | 4.100 | 1.375 | 2.375 | 1.750 | 1.750 | 0.500 | 0.940 | 4.110 | 3.970 | 1.500 | 0.670 | 2.000 | 105,000 | 7,750 | 11.40 |
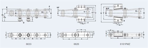
Wash Box Mining Chain
| Wash Box Chain Mining | |||||||||||||||||||||
| Chain No. | Pitch | Inner Width max | Bushing/ Knuckle Diam Max | Plate Height Max | Inner Plate Thick Max | Outer Plate Thick Max | Pin Diam Max | Average Ultimate Strength | Rated Working Load | Weight | |||||||||||
| A | B | C | D | E | F | G | H | H1 | H2 | T | U | d | h | s1 | s2 | v | w | Lbs | Lbs | Lbs/Ft | |
| 6633 | 3.075 | 1.25 | 1.25 | 1.75 | 0.375 | 0.375 | 0.749 | 3.375 | 4.570 | 3.020 | — | — | 3/4-10 LOCKNUT | — | — | — | 1.625 | — | 64,000 | 5,200 | 10.20 |
| 6826 | 6.000 | 2.375 | 1.500 | 2.500 | 0.375 | 0.375 | 0.875 | 4.953 | — | — | 6 | 7.749 | 0.563 | 1.750 | 1.313 | 1.313 | — | 4000 | 95,000 | 9,570 | 15.00 |
| 6161PMZ | 9.000 | 3.313 | 1.750 | 2.375 | 0.530 | 0.530 | 1.000 | 6.547 | — | — | 8 | 11.691 | 0.687 | 1.750 | 2.000 | 2.000 | — | 5625 | 149,000 | 15,000 | 20.80 |